(!)Due to Microsoft's end of support for Internet Explorer 11 on 15/06/2022, this site does not support the recommended environment.
Select part number to Order Now/ Add to Cart
Caution
thận trọng
- Rail lengths available in multiple options
- Multiple assembly heights available
- Options for rail and block set or block only
- Constructed with Carbon Steel for durability
- Economical choice compared to standard MISUMI products

![]()
MISUMI Standard
![]()
Cheaper Price
![]()
Product Variety
![]()
3D CAD Support
| MISUMI Standard Product SSELB8-100 | Economy Series E-GMLG7H-100 | |
| Material | Stainless Steel | Carbon Steel |
| Hardness | 56HRC up | 58HRC up |
| Basic Rated Load C (Dynamic) (kN) | 1.6 | 1.37 |
| Basic Rated Load Co (Static) (kN) | 2.4 | 1.96 |
| Static Allowable Moment MA/MB (N・m) | 7.5 | 4.8 |
| Static Allowable Moment MC (N・m) | 9 | 7.64 |
| Height H Tolerance Difference (μm) | ±20 | ±20 |
| Height H Pair Variation Difference (μm) | 15 | 40 |
| Width N Tolerance Difference (μm) | ±25 | ±25 |
| Width N Pair Variation Difference (μm) | 20 | 40 |
| Running Parallelism Guarantee (μm)* | 7 | 15 |
| Preload Management | Y | N |
| RoHS10 | Compliant | Compliant |

| Type | Material | Rail Surface Treatment | Hardness | Preload | |
| Guide Rail | Block | ||||
| E-MLG | Bearing Steel | Stainless Steel | - | 58-62HRC | Z0 Ordinary Grade No Gap Type |
| E-GMLG | Vacuum evaporated chrome plating | ||||
| E-SMLG | Stainless Steel | - | 55-58HRC | ||
| E-MLGB | - | Stainless Steel | - | - | |
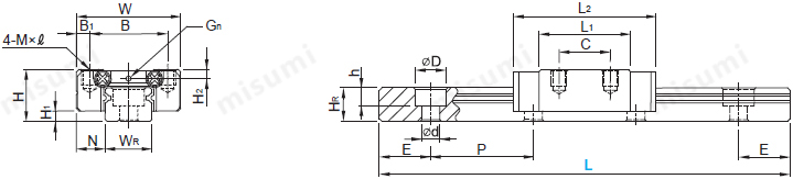
| Part Number | Length L(1mm increments) | Block Dimensions (mm) | Guide Rail Dimensions (mm) | ||||||||||||||||
Type | Nominal Model | W | B | B1 | L1 | L2 | C | M×ℓ | H2 | Gn | WR | HR | N | H | H1 | Counterbore d×D×h | P | E | |
E-MLG | 7H | 40~900 | 17 | 12 | 2.5 | 20.75 | 30.71 | 13 | M2×2.5 | 1.5 | Φ1.2 | 7 | 4.8 | 5 | 8 | 1.5 | 2.4×4.2×2.3 | 15 | Please refer to the L specified size calculation table |
| 9H | 45~900 | 20 | 15 | 28.5 | 39.9 | 16 | M3×3 | 1.8 | Φ1.4 | 9 | 6.5 | 5.5 | 10 | 2 | 3.6×6×3.5 | 20 | |||
| 12H | 60~900 | 27 | 20 | 3.5 | 30.8 | 44.78 | 20 | M3×3.5 | 2.5 | Φ2 | 12 | 8 | 7.5 | 13 | 3 | 3.6×6×4.5 | 25 | ||
| 15H | 70~900 | 32 | 25 | 41.8 | 57.96 | 25 | M3×4 | 3 | M3 | 15 | 10 | 8.5 | 16 | 4 | 3.6×6×4.5 | 40 | |||
| Part Number | Block Dimensions (mm) | |||||||||
Type | Nominal Model | W | B | B1 | L1 | L2 | C | M×ℓ | H2 | Gn |
| E-MLGB | 7H | 17 | 12 | 2.5 | 20.75 | 30.71 | 13 | M2×2.5 | 1.5 | Φ1.2 |
| 9H | 20 | 15 | 28.5 | 39.9 | 16 | M3×3 | 1.8 | Φ1.4 | ||
| 12H | 27 | 20 | 3.5 | 30.8 | 44.78 | 20 | M3×3.5 | 2.5 | Φ2 | |
| 15H | 32 | 25 | 41.8 | 57.96 | 25 | M3×4 | 3 | M3 | ||
The dimensional tolerance of L length is ±1mm and
the dimensional tolerance of E end distance is ±0.5mm

| Nominal Model | 7H | 9H | 12H | 15H | Number of mounting holes M |
| L | - | 45~47 | - | 70~87 | 2 |
| 40~50 | 48~67 | 60~82 | 88~127 | 3 | |
| 51~65 | 68~87 | 83~107 | 128~167 | 4 | |
| 66~80 | 88~107 | 108~132 | 168~207 | 5 | |
| 81~95 | 108~127 | 133~157 | 208~247 | 6 | |
| 96~110 | 128~147 | 158~182 | 248~287 | 7 | |
| 111~125 | 148~167 | 183~207 | 288~327 | 8 | |
| 126~140 | 168~187 | 208~232 | 328~367 | 9 | |
| 141~155 | 188~207 | 233~257 | 368~407 | 10 | |
| 156~170 | 208~227 | 258~282 | 408~447 | 11 | |
| 171~185 | 228~247 | 283~307 | 448~487 | 12 | |
| 186~200 | 248~267 | 308~332 | 488~527 | 13 | |
| 201~215 | 268~287 | 333~357 | 528~567 | 14 | |
| 216~230 | 288~307 | 358~382 | 568~607 | 15 | |
| 231~245 | 308~327 | 383~407 | 608~647 | 16 | |
| 246~260 | 328~347 | 408~432 | 648~687 | 17 | |
| 261~275 | 348~367 | 433~457 | 688~727 | 18 | |
| 276~290 | 368~387 | 458~482 | 728~767 | 19 | |
| 291~305 | 388~407 | 483~507 | 768~807 | 20 | |
| 306~320 | 408~427 | 508~532 | 808~847 | 21 | |
| 321~335 | 428~447 | 533~557 | 848~887 | 22 | |
| 336~350 | 448~467 | 558~582 | 888~900 | 23 | |
| 351~365 | 468~487 | 583~607 | - | 24 | |
| 366~380 | 488~507 | 608~632 | 25 | ||
| 381~395 | 508~527 | 633~657 | 26 | ||
| 396~410 | 528~547 | 658~682 | 27 | ||
| 411~425 | 548~567 | 683~707 | 28 | ||
| 426~440 | 568~587 | 708~732 | 29 | ||
| 441~455 | 588~607 | 733~757 | 30 | ||
| 456~470 | 608~627 | 758~782 | 31 | ||
| P | 15 | 20 | 25 | 40 |
| Nominal Model | 7H | 9H | 12H | 15H | Number of mounting holes M |
| L | 471~485 | 628~647 | 783~807 | - | 32 |
| 486~500 | 648~667 | 808~832 | 33 | ||
| 501~515 | 668~687 | 833~857 | 34 | ||
| 516~530 | 688~707 | 858~882 | 35 | ||
| 531~545 | 708~727 | 883~900 | 36 | ||
| 546~560 | 728~747 | - | 37 | ||
| 561~575 | 748~767 | 38 | |||
| 576~590 | 768~787 | 39 | |||
| 591~605 | 788~807 | 40 | |||
| 606~620 | 808~827 | 41 | |||
| 621~635 | 828~847 | 42 | |||
| 636~650 | 848~867 | 43 | |||
| 651~665 | 868~887 | 44 | |||
| 666~680 | 888~900 | 45 | |||
| 681~695 | - | 46 | |||
| 696~710 | 47 | ||||
| 711~725 | 48 | ||||
| 726~740 | 49 | ||||
| 741~755 | 50 | ||||
| 756~770 | 51 | ||||
| 771~785 | 52 | ||||
| 786~800 | 53 | ||||
| 801~815 | 54 | ||||
| 816~830 | 55 | ||||
| 831~845 | 56 | ||||
| 846~860 | 57 | ||||
| 861~875 | 58 | ||||
| 876~890 | 59 | ||||
| 891~900 | 60 | ||||
| P | 15 | 20 | 25 | 40 |
| Alterations | Code | Spec. | ||||||||
Change to Tapped Holes![]() | MC | Ordering code: MC Change counterbored holes for fixing a guide to tapped holes.
| ||||||||
| 2-Block Specifications | B2 | 1 block added to 1-block product to ship as 2 block item. If the rail is too short to fit multiple blocks, the blocks will be shipped in a separate package. | ||||||||
| 3-Block Specifications | B3 | 2 blocks added to 1-block product to ship as 3 block item. If the rail is too short to fit multiple blocks, the blocks will be shipped in a separate package. | ||||||||
| 4-Block Specifications | B4 | 3 blocks added to 1-block product to ship as 4 block item. If the rail is too short to fit multiple blocks, the blocks will be shipped in a separate package. | ||||||||
| Preload adjustment | ZF | Change Z0: zero preload to ZF: Normal clearance Z1: Light preload Z2: Medium preload | ||||||||
| Z1 | ||||||||||
| Z2 | ||||||||||
| Rail End Cut | Left End Cut ES | Specify the edge distance in 0.5 mm increments. When the specified edge distance exceeds or is close to the hole spacing, cutting may result in hole breakage. EB + ES = 2E. In cases where cutting is not feasible, distribute the dimensions evenly according to the standards. | ||||||||
| Right End Cut EB |
| Linear Guide Type | Precision Criteria | MISUMI Standard Products |
| Miniature Linear Guide | Height H Tolerance | ±40 |
| Height H Pair Variation | 40 | |
| Width N Tolerance | ±40 | |
| Width N Pair Variation | 40 |
| Rail Length (mm) | Accuracy grade (μm) |
| 50 or Less | 16 |
| 50-80 | 18 |
| 80-125 | 21 |
| 125-200 | 21 |
| 200-250 | 22 |
| 250-315 | 23 |
| 315-400 | 25 |
| 400-500 | 26 |
| 500-630 | 28 |
| 630-800 | 30 |
| 800-900 | 32 |


| Nominal model | Basic Rated Load | Static Allowable Moment | Mass | |||
| C(Dynamic) kN | Co(Static) kN | MA・MB N.m | MC N.m | Blocks kg | Guide Rails kg/m | |
| 7H | 1.37 | 1.96 | 4.8 | 7.64 | 0.0124 | 0.22 |
| 9H | 2.55 | 4.02 | 18.62 | 19.6 | 0.0215 | 0.38 |
| 12H | 3.72 | 5.88 | 36.26 | 38.22 | 0.044 | 0.65 |
| 15H | 6.37 | 9.11 | 57.82 | 73.5 | 0.0847 | 1.06 |






here for the detailed installation method
here| Medical | Smart phone | |
![]() | ![]() | |
| Robotics | Electronic & Electrical Appliances | |
![]() | ![]() |
| Miniature Linear Guides | Medium Load linear guide | Heavy Load linear guide | ||
![]() | ![]() | ![]() | ||
| Typical model: SSEBZ10-55 | Typical model: SVR24-280 | Typical model: SXR24-280 |
here| Part Number |
|---|
| E-GMLG9H-55 |
| Part Number | Price | Minimum Order Qty. | Volume Discount | Days to ShipSố ngày giao hàng | Rail Length L (mm) | Assembly Height H (mm) | Nominal Part Number | Basic Load Rating: Dynamic Load (N) | Basic Load Rating: Static Load (R) | Allowable Static Moment MA (θ) | Allowable Static Moment MB (N) | Allowable Static Moment MC (N) | Rail Material (Surface Treatment) | Rail Surface Treatment |
|---|---|---|---|---|---|---|---|---|---|---|---|---|---|---|
- | 1 Piece(s) | 5 Day(s) | 55 | 10 | 9H | 2.55 | 4.02 | 18.62 | 18.62 | 19.6 | Carbon Steel (Bearing Steel) | Vacuum evaporated chrome plating |
Loading...Tải…
| Block Type(mm) | Long Block | Rail Type | Standard Rail | Set / Single Item | Set |
|---|---|---|---|---|---|
| Preload(N・m) | Normal Clearance | Accuracy Standards(N・m) | Standard Grade | Material | Stainless Steel |
| Ball Arrangement | Miniature Type | No. of Blocks(mm) | 1 | Retainer | N/A |
| Lubrication Type(mm) | Lubrication Applied | Rolling Element | Ball | Lubrication Type | Lithium Grease Filled |
| L Dimension Type | Specified Type | Block Material (Surface Treatment) | Stainless Steel |
How can we improve?
How can we improve?
While we are not able to respond directly to comments submitted in this form, the information will be reviewed for future improvement.
Customer Privacy Policy
Thank you for your cooperation.
While we are not able to respond directly to comments submitted in this form, the information will be reviewed for future improvement.
Please use the inquiry form.
Customer Privacy Policy