(!)Due to Microsoft's end of support for Internet Explorer 11 on 15/06/2022, this site does not support the recommended environment.
Select part number to Order Now/ Add to Cart
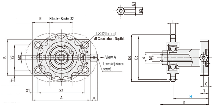
Tension can be adjusted in the following two directions: “Push” and “Pull.” The mount heights of idler can be selected.

Over | or Less | Tolerance |
0.5 | 3 | ±0.1 |
3 | 6 | ±0.1 |
6 | 30 | ±0.2 |
30 | 120 | ±0.3 |
120 | 400 | ±0.5 |
[ ! ]The idler can be moved by loosening the nut on the end. Tighten to secure.
| Type | Material | Surface Treatment | |||||||||||
| Base Plate | Idler Shaft | Adjustment Screw | Nut | Washer | Idlers Sprocket | Bearing | Base Plate | Idler Shaft | Adjustment Screw | Nut | Washer | Idlers Sprocket | |
| TSUB | SS400 | S45C | SWCH Equivalent | SPCC Equivalent | S35C Equivalent (Induction Hardened Teeth Tip) | Steel | Black oxide | ||||||
| TSUBS | SUS304 | SUS304 equivalent | Stainless Steel | - | |||||||||
| Part Number | — | Number of Teeth | — | H |
| TSUB35 | — | 16 | — | 40 |
| Part Number | Number of Teeth | H 1 mm Increments | h (Max.) | M1 (Coarse) | M2 (Coarse) | Lever Travel per Rotation (mm) | d | A | B | T | X1 | X2 | Y1 | Y2 | a | d1 | d2 | L | C | B1 | B2 | E | |
| Type | Nominal | ||||||||||||||||||||||
| TSUB (Steel) TSUBS (Stainless Steel) | 35 | 16 | 25 to 45 | 59.2 | 8 | 6 | 1.0 | 12 | 80 | 50 | 12 | 7.5 | 65 | 7.5 | 35 | 10.5 | 11 | 6.5 | 6.5 | 7 | 4 | 10 | 20.5 |
| 18 | 63.2 | 10 | 15 | ||||||||||||||||||||
| 40 | 13 | 30 to 50 | 64.2 | 8 | 12 | ||||||||||||||||||
| 15 | 68.2 | 10 | 15 | ||||||||||||||||||||
| 19 | 74.2 | 14 | 20 | 85 | 60 | 12 | 70 | 45 | 23 | ||||||||||||||
| 50 | 13 | 35 to 55 | 73.2 | 10 | 8 | 1.25 | 15 | 90 | 60 | 16 | 10 | 70 | 10 | 40 | 15.5 | 14 | 8.5 | 8.5 | 8 | 5 | 13 | 28 | |
| 15 | 76.2 | 12 | 17 | ||||||||||||||||||||
| 17 | 79.2 | 14 | 20 | ||||||||||||||||||||
| 60 | 11 | 40 to 60 | 78.2 | 10 | 15 | ||||||||||||||||||
| 14 | 84.2 | 14 | 20 | ||||||||||||||||||||
| No. | Number of Teeth | Shaft Dia. | Dp | Do | t | Bearing Part No. |
| 35 | 16 | 12 | 48,82 | 54 | 4.3 | 6001ZZ |
| 18 | 15 | 54.85 | 60 | 6202ZZ | ||
| 40 | 13 | 12 | 53.07 | 59 | 7.2 | 6001ZZ |
| 15 | 15 | 61.08 | 67 | 6202ZZ | ||
| 19 | 20 | 77.16 | 84 | 6204ZZ | ||
| 50 | 13 | 15 | 66.34 | 74 | 8.7 | 6202ZZ |
| 15 | 17 | 76.,35 | 84 | 6203ZZ | ||
| 17 | 20 | 86.39 | 94 | 6204ZZ | ||
| 60 | 11 | 15 | 67.62 | 76 | 11.7 | 6202ZZ |
| 14 | 20 | 85.61 | 95 | 6204ZZ |
Nominal | Number of Teeth | H | h |
35 | 16 | 25 to 30 | 44.2 |
31 to 35 | 49.2 | ||
36 to 40 | 54.2 | ||
41 to 45 | 59.2 | ||
18 | 25 to 30 | 48.2 | |
31 to 35 | 53.2 | ||
36 to 40 | 58.2 | ||
41 to 45 | 63.2 | ||
40 | 13 | 30 | 44.2 |
31 to 35 | 49.2 | ||
36 to 40 | 54.2 | ||
41 to 45 | 59.2 | ||
46 to 50 | 64.2 | ||
15 | 30 | 48.2 | |
31 to 35 | 53.2 | ||
36 to 40 | 58.2 | ||
41 to 45 | 63.2 | ||
46 to 50 | 68.2 | ||
19 | 30 to 35 | 59.2 | |
36 to 40 | 64.2 | ||
41 to 45 | 69.2 | ||
46 to 50 | 74.2 |
Nominal | Number of Teeth | H | h |
50 | 13 | 35 to 40 | 58.2 |
41 to 45 | 63.2 | ||
46 to 50 | 68.2 | ||
51 to 55 | 73.2 | ||
15 | 35 to 40 | 61.2 | |
41 to 45 | 66.2 | ||
46 to 50 | 71.2 | ||
51 to 55 | 76.2 | ||
17 | 35 to 40 | 64.2 | |
41 to 45 | 69.2 | ||
46 to 50 | 74.2 | ||
51 to 55 | 79.2 | ||
60 | 11 | 40 | 58.2 |
41 to 45 | 63.2 | ||
46 to 50 | 68.2 | ||
51 to 55 | 73.2 | ||
56 to 60 | 78.2 | ||
14 | 40 | 64.2 | |
41 to 45 | 69.2 | ||
46 to 50 | 74.2 | ||
51 to 55 | 79.2 | ||
| 56 to 60 | 84.2 |
| Part Number |
|---|
| TSUB35-16-[25-45/1] |
| TSUB35-18-[25-45/1] |
| TSUB40-13-[30-50/1] |
| TSUB40-15-[30-50/1] |
| TSUB40-19-[30-50/1] |
| TSUB50-13-[35-55/1] |
| TSUB50-15-[35-55/1] |
| TSUB50-17-[35-55/1] |
| TSUB60-11-[40-60/1] |
| TSUB60-14-[40-60/1] |
| TSUBS40-13-[30-50/1] |
| TSUBS60-11-[40-60/1] |
| Part Number | Price | Minimum Order Qty. | Volume Discount | Days to ShipSố ngày giao hàng | RoHS | Type | Applications | Surface Treatment | No. (Applicable Roller Chain) | Number of Teeth | Sprocket Material | H (mm) |
|---|---|---|---|---|---|---|---|---|---|---|---|---|
- | 1 Piece(s) | 8 Day(s) or more | 10 | - | - | Black Oxide | 35 (JIS35) | 16 | - | 25 ~ 45 | ||
- | 1 Piece(s) | 8 Day(s) or more | 10 | - | - | Black Oxide | 35 (JIS35) | 18 | - | 25 ~ 45 | ||
- | 1 Piece(s) | 8 Day(s) or more | 10 | - | - | Black Oxide | 40 (JIS40) | 13 | - | 30 ~ 50 | ||
- | 1 Piece(s) | 8 Day(s) or more | 10 | - | - | Black Oxide | 40 (JIS40) | 15 | - | 30 ~ 50 | ||
- | 1 Piece(s) | 8 Day(s) or more | 10 | - | - | Black Oxide | 40 (JIS40) | 19 | - | 30 ~ 50 | ||
- | 1 Piece(s) | 8 Day(s) or more | 10 | - | - | Black Oxide | 50 (JIS50) | 13 | - | 35 ~ 55 | ||
- | 1 Piece(s) | 8 Day(s) or more | 10 | - | - | Black Oxide | 50 (JIS50) | 15 | - | 35 ~ 55 | ||
- | 1 Piece(s) | 8 Day(s) or more | 10 | - | - | Black Oxide | 50 (JIS50) | 17 | - | 35 ~ 55 | ||
- | 1 Piece(s) | 8 Day(s) or more | 10 | - | - | Black Oxide | 60 (JIS60) | 11 | - | 40 ~ 60 | ||
- | 1 Piece(s) | 8 Day(s) or more | 10 | - | - | Black Oxide | 60 (JIS60) | 14 | - | 40 ~ 60 | ||
- | 1 Piece(s) | 8 Day(s) or more | - | Tensioner/Idler Set | Chain | N/A | 40(JIS40) | 13 | Stainless Steel | 30 ~ 50 | ||
- | 1 Piece(s) | 8 Day(s) or more | - | Tensioner/Idler Set | Chain | N/A | 60(JIS60) | 11 | Stainless Steel | 40 ~ 60 |
Loading...Tải…
![]() | ■Tension Adjustment Method (1) Loosen the nut (2) Adjust the tension using the adjustment screw (3) Loosen the nut |
![]() | ■Tension Adjustment Method (1) Loosen the nut (2) Adjust the tension using the adjustment screw (3) Loosen the nut ■Adjustment Method of Stainless Steel Type ·Both the idler shaft and adjustment screw are made of stainless steel, so when adjusting scuffing may occur. ·You are advise to apply grease to the adjustment screw before making adjustments. |
How can we improve?
How can we improve?
While we are not able to respond directly to comments submitted in this form, the information will be reviewed for future improvement.
Customer Privacy Policy
Thank you for your cooperation.
While we are not able to respond directly to comments submitted in this form, the information will be reviewed for future improvement.
Please use the inquiry form.
Customer Privacy Policy