(!)Due to Microsoft's end of support for Internet Explorer 11 on 15/06/2022, this site does not support the recommended environment.
Select part number to Order Now/ Add to Cart
[For Integration of Jigs and Screws]
[For Mounting Equipment Covers]
The screw part catches on the thin plate, and the screw does not fall off from the thin plate.
Cut tapped screws in the thin plate, and penetrate the anti-dropout screw.
The unthreaded part moves freely in the thin plate section because below the screw head is short, but the threaded part catches on the thin plate to prevent the screw from falling out.
Box package is cost-saving for in-house stock or when large quantities are needed.

The screw will not drop off from the cover when the cover is removed from the frame.
(The cover requires tap machining to prevent screws from falling off.)
| Type | [M] Material | Strength Class |
| BOX−GUTB | SUS304 Equivalent | Equivalent to A2-70 |
[ ! ]Please specify the box quantity to order.
Minimum order is 1 box.
| Part Number |
| BOX−GUTB5−6−20 |
| Part Number | Pcs./ Box. | |||
| Type | M | ℓ | L | |
| BOX−GUTB (Stainless Steel) | 3 | 4 | 10 | 200 pcs./box |
| 12 | ||||
| 15 | ||||
| 20 | ||||
| 4 | 3 | 8 | ||
| 10 | ||||
| 12 | ||||
| 15 | ||||
| 5 | 10 | |||
| 12 | ||||
| 15 | ||||
| 20 | ||||
| 5 | 6 | 12 | ||
| 15 | ||||
| 20 | ||||
| 25 | ||||
| 6 | 8 | 20 | ||
| 25 | ||||
| 30 | ||||
| 8 | 10 | 25 | ||
| 30 | ||||
| 40 | ||||
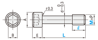
| M × P (Coarse) | A | E | B | d |
| 3 × 0.5 | 5.5 | 3 | 2.5 | 2.2 |
| 4 × 0.7 | 7 | 4 | 3 | 3 |
| 5 × 0.8 | 8.5 | 5 | 4 | 3.9 |
| 6 × 1.0 | 10 | 6 | 5 | 4.5 |
| 8 × 1.25 | 13 | 8 | 6 | 6.3 |
| Part Number | Price | Minimum Order Qty. | Number of pc(s). included in pkg.Number of pc(s). included in pkg. | Volume Discount | Days to ShipSố ngày giao hàng | RoHS | Nominal of Thread (M) | Environmentally friendly | Characteristics/Applications | Length L (mm) | Material | Material Details | Application | Thread Length ℓ (mm) | Screw M Diameter | Size (X Notation) (mm) | Size (-Notation) (mm) |
|---|---|---|---|---|---|---|---|---|---|---|---|---|---|---|---|---|---|
2,161,137 VND | 1 Pack(s) | 200 Pieces Per Package 200 Pieces Per Package | 4 Day(s) or more | - | 2 | RoHS compliant (10 substances) | Corrosion resistance / chemical resistance / Conductive / Antistatic / Non-Magnetic / Heat-Resistance | 4 | [Stainless Steel] SUS304 | SUS304 Equiv. | Standard / High Strength / Fall-off Prevention | 2.5 | M2 | M2X4 | M2-4 | ||
2,161,137 VND | 1 Pack(s) | 200 Pieces Per Package 200 Pieces Per Package | 4 Day(s) or more | - | 2 | RoHS compliant (10 substances) | Corrosion resistance / chemical resistance / Conductive / Antistatic / Non-Magnetic / Heat-Resistance | 6 | [Stainless Steel] SUS304 | SUS304 Equiv. | Standard / High Strength / Fall-off Prevention | 2.5 | M2 | M2X6 | M2-6 | ||
2,161,137 VND | 1 Pack(s) | 200 Pieces Per Package 200 Pieces Per Package | 4 Day(s) or more | - | 2 | RoHS compliant (10 substances) | Corrosion resistance / chemical resistance / Conductive / Antistatic / Non-Magnetic / Heat-Resistance | 8 | [Stainless Steel] SUS304 | SUS304 Equiv. | Standard / High Strength / Fall-off Prevention | 2.5 | M2 | M2X8 | M2-8 | ||
2,161,137 VND | 1 Pack(s) | 200 Pieces Per Package 200 Pieces Per Package | 4 Day(s) or more | - | 2 | - | - | 10 | [Stainless Steel] SUS304 Equivalent | - | High Strength / Fall-off Prevention | 2.5 | - | - | - | ||
2,161,137 VND | 1 Pack(s) | 200 Pieces Per Package 200 Pieces Per Package | 4 Day(s) or more | - | 2 | RoHS compliant (10 substances) | Corrosion resistance / chemical resistance / Conductive / Antistatic / Non-Magnetic / Heat-Resistance | 12 | [Stainless Steel] SUS304 | SUS304 Equiv. | Standard / High Strength / Fall-off Prevention | 2.5 | M2 | M2X12 | M2-12 | ||
2,161,137 VND | 1 Pack(s) | 200 Pieces Per Package 200 Pieces Per Package | 4 Day(s) or more | - | 2 | RoHS compliant (10 substances) | Corrosion resistance / chemical resistance / Conductive / Antistatic / Non-Magnetic / Heat-Resistance | 15 | [Stainless Steel] SUS304 | SUS304 Equiv. | Standard / High Strength / Fall-off Prevention | 2.5 | M2 | M2X15 | M2-15 | ||
2,161,137 VND | 1 Pack(s) | 200 Pieces Per Package 200 Pieces Per Package | 4 Day(s) or more | - | 2.6 | RoHS compliant (10 substances) | Corrosion resistance / chemical resistance / Conductive / Antistatic / Non-Magnetic / Heat-Resistance | 6 | [Stainless Steel] SUS304 | SUS304 Equiv. | Standard / High Strength / Fall-off Prevention | 3 | M2.6 | M2.6X6 | M2.6-6 | ||
2,161,137 VND | 1 Pack(s) | 200 Pieces Per Package 200 Pieces Per Package | 4 Day(s) or more | - | 2.6 | RoHS compliant (10 substances) | Corrosion resistance / chemical resistance / Conductive / Antistatic / Non-Magnetic / Heat-Resistance | 8 | [Stainless Steel] SUS304 | SUS304 Equiv. | Standard / High Strength / Fall-off Prevention | 3 | M2.6 | M2.6X8 | M2.6-8 | ||
2,161,137 VND | 1 Pack(s) | 200 Pieces Per Package 200 Pieces Per Package | 4 Day(s) or more | - | 2.6 | RoHS compliant (10 substances) | Corrosion resistance / chemical resistance / Conductive / Antistatic / Non-Magnetic / Heat-Resistance | 10 | [Stainless Steel] SUS304 | SUS304 Equiv. | Standard / High Strength / Fall-off Prevention | 3 | M2.6 | M2.6X10 | M2.6-10 | ||
2,161,137 VND | 1 Pack(s) | 200 Pieces Per Package 200 Pieces Per Package | 4 Day(s) or more | - | 2.6 | RoHS compliant (10 substances) | Corrosion resistance / chemical resistance / Conductive / Antistatic / Non-Magnetic / Heat-Resistance | 12 | [Stainless Steel] SUS304 | SUS304 Equiv. | Standard / High Strength / Fall-off Prevention | 3 | M2.6 | M2.6X12 | M2.6-12 | ||
2,161,137 VND | 1 Pack(s) | 200 Pieces Per Package 200 Pieces Per Package | 4 Day(s) or more | - | 2.6 | RoHS compliant (10 substances) | Corrosion resistance / chemical resistance / Conductive / Antistatic / Non-Magnetic / Heat-Resistance | 15 | [Stainless Steel] SUS304 | SUS304 Equiv. | Standard / High Strength / Fall-off Prevention | 3 | M2.6 | M2.6X15 | M2.6-15 | ||
2,366,577 VND | 1 Pack(s) | 200 Pieces Per Package 200 Pieces Per Package | 4 Day(s) or more | - | 3 | RoHS compliant (10 substances) | Corrosion resistance / chemical resistance / Conductive / Antistatic / Non-Magnetic / Heat-Resistance | 4 | [Stainless Steel] SUS304 | SUS304 Equiv. | Standard / High Strength / Fall-off Prevention | 2 | M3 | M3X4 | M3-4 | ||
1,933,649 VND | 1 Pack(s) | 200 Pieces Per Package 200 Pieces Per Package | 4 Day(s) or more | - | 3 | RoHS compliant (10 substances) | Corrosion resistance / chemical resistance / Conductive / Antistatic / Non-Magnetic / Heat-Resistance | 6 | [Stainless Steel] SUS304 | SUS304 Equiv. | Standard / High Strength / Fall-off Prevention | 2 | M3 | M3X6 | M3-6 | ||
1,933,649 VND | 1 Pack(s) | 200 Pieces Per Package 200 Pieces Per Package | 4 Day(s) or more | - | 3 | RoHS compliant (10 substances) | Corrosion resistance / chemical resistance / Conductive / Antistatic / Non-Magnetic / Heat-Resistance | 8 | [Stainless Steel] SUS304 | SUS304 Equiv. | Standard / High Strength / Fall-off Prevention | 2 | M3 | M3X8 | M3-8 | ||
1,933,649 VND | 1 Pack(s) | 200 Pieces Per Package 200 Pieces Per Package | 4 Day(s) or more | - | 3 | RoHS compliant (10 substances) | Corrosion resistance / chemical resistance / Conductive / Antistatic / Non-Magnetic / Heat-Resistance | 10 | [Stainless Steel] SUS304 | SUS304 Equiv. | Standard / High Strength / Fall-off Prevention | 2 | M3 | M3X10 | M3-10 | ||
2,015,998 VND | 1 Pack(s) | 200 Pieces Per Package 200 Pieces Per Package | 4 Day(s) or more | - | 3 | RoHS compliant (10 substances) | Corrosion resistance / chemical resistance / Conductive / Antistatic / Non-Magnetic / Heat-Resistance | 12 | [Stainless Steel] SUS304 | SUS304 Equiv. | Standard / High Strength / Fall-off Prevention | 2 | M3 | M3X12 | M3-12 | ||
2,174,492 VND | 1 Pack(s) | 200 Pieces Per Package 200 Pieces Per Package | 4 Day(s) or more | - | 3 | RoHS compliant (10 substances) | Corrosion resistance / chemical resistance / Conductive / Antistatic / Non-Magnetic / Heat-Resistance | 15 | [Stainless Steel] SUS304 | SUS304 Equiv. | Standard / High Strength / Fall-off Prevention | 2 | M3 | M3X15 | M3-15 | ||
2,350,711 VND | 1 Pack(s) | 200 Pieces Per Package 200 Pieces Per Package | 4 Day(s) or more | - | 3 | RoHS compliant (10 substances) | Corrosion resistance / chemical resistance / Conductive / Antistatic / Non-Magnetic / Heat-Resistance | 6 | [Stainless Steel] SUS304 | SUS304 Equiv. | Standard / High Strength / Fall-off Prevention | 3.5 | M3 | M3X6 | M3-6 | ||
2,350,711 VND | 1 Pack(s) | 200 Pieces Per Package 200 Pieces Per Package | 4 Day(s) or more | - | 3 | RoHS compliant (10 substances) | Corrosion resistance / chemical resistance / Conductive / Antistatic / Non-Magnetic / Heat-Resistance | 8 | [Stainless Steel] SUS304 | SUS304 Equiv. | Standard / High Strength / Fall-off Prevention | 3.5 | M3 | M3X8 | M3-8 | ||
2,350,711 VND | 1 Pack(s) | 200 Pieces Per Package 200 Pieces Per Package | 4 Day(s) or more | - | 3 | RoHS compliant (10 substances) | Corrosion resistance / chemical resistance / Conductive / Antistatic / Non-Magnetic / Heat-Resistance | 10 | [Stainless Steel] SUS304 | SUS304 Equiv. | Standard / High Strength / Fall-off Prevention | 3.5 | M3 | M3X10 | M3-10 | ||
2,350,711 VND | 1 Pack(s) | 200 Pieces Per Package 200 Pieces Per Package | 4 Day(s) or more | - | 3 | RoHS compliant (10 substances) | Corrosion resistance / chemical resistance / Conductive / Antistatic / Non-Magnetic / Heat-Resistance | 12 | [Stainless Steel] SUS304 | SUS304 Equiv. | Standard / High Strength / Fall-off Prevention | 3.5 | M3 | M3X12 | M3-12 | ||
2,350,711 VND | 1 Pack(s) | 200 Pieces Per Package 200 Pieces Per Package | 4 Day(s) or more | - | 3 | RoHS compliant (10 substances) | Corrosion resistance / chemical resistance / Conductive / Antistatic / Non-Magnetic / Heat-Resistance | 15 | [Stainless Steel] SUS304 | SUS304 Equiv. | Standard / High Strength / Fall-off Prevention | 3.5 | M3 | M3X15 | M3-15 | ||
1,933,649 VND | 1 Pack(s) | 200 Pieces Per Package 200 Pieces Per Package | 4 Day(s) or more | - | 3 | RoHS compliant (10 substances) | Corrosion resistance / chemical resistance / Conductive / Antistatic / Non-Magnetic / Heat-Resistance | 8 | [Stainless Steel] SUS304 | SUS304 Equiv. | Standard / High Strength / Fall-off Prevention | 4 | M3 | M3X8 | M3-8 | ||
2,661,793 VND | 1 Pack(s) | 200 Pieces Per Package 200 Pieces Per Package | 4 Day(s) or more | 10 | 3 | - | - | 10 | [Stainless Steel] SUS304 Equivalent | - | High Strength / Fall-off Prevention | 4 | - | - | - | ||
2,661,793 VND | 1 Pack(s) | 200 Pieces Per Package 200 Pieces Per Package | 4 Day(s) or more | 10 | 3 | - | - | 12 | [Stainless Steel] SUS304 Equivalent | - | High Strength / Fall-off Prevention | 4 | - | - | - | ||
2,661,793 VND | 1 Pack(s) | 200 Pieces Per Package 200 Pieces Per Package | 4 Day(s) or more | 10 | 3 | - | - | 15 | [Stainless Steel] SUS304 Equivalent | - | High Strength / Fall-off Prevention | 4 | - | - | - | ||
2,661,793 VND | 1 Pack(s) | 200 Pieces Per Package 200 Pieces Per Package | 4 Day(s) or more | 10 | 3 | - | - | 20 | [Stainless Steel] SUS304 Equivalent | - | High Strength / Fall-off Prevention | 4 | - | - | - | ||
1,934,292 VND | 1 Pack(s) | 200 Pieces Per Package 200 Pieces Per Package | 4 Day(s) or more | - | 4 | RoHS compliant (10 substances) | Corrosion resistance / chemical resistance / Conductive / Antistatic / Non-Magnetic / Heat-Resistance | 6 | [Stainless Steel] SUS304 | SUS304 Equiv. | Standard / High Strength / Fall-off Prevention | 3 | M4 | M4X6 | M4-6 | ||
2,296,460 VND | 1 Pack(s) | 200 Pieces Per Package 200 Pieces Per Package | 4 Day(s) or more | 10 | 4 | - | - | 8 | [Stainless Steel] SUS304 Equivalent | - | High Strength / Fall-off Prevention | 3 | - | - | - | ||
2,296,460 VND | 1 Pack(s) | 200 Pieces Per Package 200 Pieces Per Package | 4 Day(s) or more | 10 | 4 | - | - | 10 | [Stainless Steel] SUS304 Equivalent | - | High Strength / Fall-off Prevention | 3 | - | - | - | ||
2,296,460 VND | 1 Pack(s) | 200 Pieces Per Package 200 Pieces Per Package | 4 Day(s) or more | 10 | 4 | - | - | 12 | [Stainless Steel] SUS304 Equivalent | - | High Strength / Fall-off Prevention | 3 | - | - | - | ||
2,296,460 VND | 1 Pack(s) | 200 Pieces Per Package 200 Pieces Per Package | 4 Day(s) or more | 10 | 4 | - | - | 15 | [Stainless Steel] SUS304 Equivalent | - | High Strength / Fall-off Prevention | 3 | - | - | - | ||
2,296,460 VND | 1 Pack(s) | 200 Pieces Per Package 200 Pieces Per Package | 4 Day(s) or more | 10 | 4 | - | - | 10 | [Stainless Steel] SUS304 Equivalent | - | High Strength / Fall-off Prevention | 5 | - | - | - | ||
2,296,460 VND | 1 Pack(s) | 200 Pieces Per Package 200 Pieces Per Package | 4 Day(s) or more | 10 | 4 | - | - | 12 | [Stainless Steel] SUS304 Equivalent | - | High Strength / Fall-off Prevention | 5 | - | - | - | ||
2,296,460 VND | 1 Pack(s) | 200 Pieces Per Package 200 Pieces Per Package | 4 Day(s) or more | 10 | 4 | - | - | 15 | [Stainless Steel] SUS304 Equivalent | - | High Strength / Fall-off Prevention | 5 | - | - | - | ||
2,296,460 VND | 1 Pack(s) | 200 Pieces Per Package 200 Pieces Per Package | Same day | 10 | 4 | - | - | 20 | [Stainless Steel] SUS304 Equivalent | - | High Strength / Fall-off Prevention | 5 | - | - | - | ||
2,398,884 VND | 1 Pack(s) | 200 Pieces Per Package 200 Pieces Per Package | 4 Day(s) or more | - | 5 | RoHS compliant (10 substances) | Corrosion resistance / chemical resistance / Conductive / Antistatic / Non-Magnetic / Heat-Resistance | 8 | [Stainless Steel] SUS304 | SUS304 Equiv. | Standard / High Strength / Fall-off Prevention | 3 | M5 | M5X8 | M5-8 | ||
2,751,122 VND | 1 Pack(s) | 200 Pieces Per Package 200 Pieces Per Package | 4 Day(s) or more | - | 5 | RoHS compliant (10 substances) | Corrosion resistance / chemical resistance / Conductive / Antistatic / Non-Magnetic / Heat-Resistance | 10 | [Stainless Steel] SUS304 | SUS304 Equiv. | Standard / High Strength / Fall-off Prevention | 3 | M5 | M5X10 | M5-10 | ||
1,861,643 VND | 1 Pack(s) | 200 Pieces Per Package 200 Pieces Per Package | 4 Day(s) or more | - | 5 | RoHS compliant (10 substances) | Corrosion resistance / chemical resistance / Conductive / Antistatic / Non-Magnetic / Heat-Resistance | 12 | [Stainless Steel] SUS304 | SUS304 Equiv. | Standard / High Strength / Fall-off Prevention | 3 | M5 | M5X12 | M5-12 | ||
1,898,610 VND | 1 Pack(s) | 200 Pieces Per Package 200 Pieces Per Package | 4 Day(s) or more | - | 5 | RoHS compliant (10 substances) | Corrosion resistance / chemical resistance / Conductive / Antistatic / Non-Magnetic / Heat-Resistance | 15 | [Stainless Steel] SUS304 | SUS304 Equiv. | Standard / High Strength / Fall-off Prevention | 3 | M5 | M5X15 | M5-15 | ||
2,595,350 VND | 1 Pack(s) | 200 Pieces Per Package 200 Pieces Per Package | 4 Day(s) or more | - | 5 | RoHS compliant (10 substances) | Corrosion resistance / chemical resistance / Conductive / Antistatic / Non-Magnetic / Heat-Resistance | 20 | [Stainless Steel] SUS304 | SUS304 Equiv. | Standard / High Strength / Fall-off Prevention | 3 | M5 | M5X20 | M5-20 | ||
2,452,853 VND | 1 Pack(s) | 200 Pieces Per Package 200 Pieces Per Package | 4 Day(s) or more | 10 | 5 | - | - | 12 | [Stainless Steel] SUS304 Equivalent | - | High Strength / Fall-off Prevention | 6 | - | - | - | ||
2,452,853 VND | 1 Pack(s) | 200 Pieces Per Package 200 Pieces Per Package | 4 Day(s) or more | 10 | 5 | - | - | 15 | [Stainless Steel] SUS304 Equivalent | - | High Strength / Fall-off Prevention | 6 | - | - | - | ||
2,452,853 VND | 1 Pack(s) | 200 Pieces Per Package 200 Pieces Per Package | 4 Day(s) or more | 10 | 5 | - | - | 20 | [Stainless Steel] SUS304 Equivalent | - | High Strength / Fall-off Prevention | 6 | - | - | - | ||
2,452,853 VND | 1 Pack(s) | 200 Pieces Per Package 200 Pieces Per Package | 4 Day(s) or more | 10 | 5 | - | - | 25 | [Stainless Steel] SUS304 Equivalent | - | High Strength / Fall-off Prevention | 6 | - | - | - | ||
3,096,367 VND | 1 Pack(s) | 200 Pieces Per Package 200 Pieces Per Package | 4 Day(s) or more | - | 6 | RoHS compliant (10 substances) | Corrosion resistance / chemical resistance / Conductive / Antistatic / Non-Magnetic / Heat-Resistance | 8 | [Stainless Steel] SUS304 | SUS304 Equiv. | Standard / High Strength / Fall-off Prevention | 4 | M6 | M6X8 | M6-8 | ||
2,978,562 VND | 1 Pack(s) | 200 Pieces Per Package 200 Pieces Per Package | 4 Day(s) or more | - | 6 | RoHS compliant (10 substances) | Corrosion resistance / chemical resistance / Conductive / Antistatic / Non-Magnetic / Heat-Resistance | 10 | [Stainless Steel] SUS304 | SUS304 Equiv. | Standard / High Strength / Fall-off Prevention | 4 | M6 | M6X10 | M6-10 | ||
2,363,633 VND | 1 Pack(s) | 200 Pieces Per Package 200 Pieces Per Package | 4 Day(s) or more | - | 6 | RoHS compliant (10 substances) | Corrosion resistance / chemical resistance / Conductive / Antistatic / Non-Magnetic / Heat-Resistance | 12 | [Stainless Steel] SUS304 | SUS304 Equiv. | Standard / High Strength / Fall-off Prevention | 4 | M6 | M6X12 | M6-12 | ||
2,399,842 VND | 1 Pack(s) | 200 Pieces Per Package 200 Pieces Per Package | 4 Day(s) or more | - | 6 | RoHS compliant (10 substances) | Corrosion resistance / chemical resistance / Conductive / Antistatic / Non-Magnetic / Heat-Resistance | 15 | [Stainless Steel] SUS304 | SUS304 Equiv. | Standard / High Strength / Fall-off Prevention | 4 | M6 | M6X15 | M6-15 | ||
2,655,155 VND | 1 Pack(s) | 200 Pieces Per Package 200 Pieces Per Package | 4 Day(s) or more | - | 6 | RoHS compliant (10 substances) | Corrosion resistance / chemical resistance / Conductive / Antistatic / Non-Magnetic / Heat-Resistance | 20 | [Stainless Steel] SUS304 | SUS304 Equiv. | Standard / High Strength / Fall-off Prevention | 4 | M6 | M6X20 | M6-20 | ||
3,015,366 VND | 1 Pack(s) | 200 Pieces Per Package 200 Pieces Per Package | 4 Day(s) or more | - | 6 | RoHS compliant (10 substances) | Corrosion resistance / chemical resistance / Conductive / Antistatic / Non-Magnetic / Heat-Resistance | 12 | [Stainless Steel] SUS304 | SUS304 Equiv. | Standard / High Strength / Fall-off Prevention | 8 | M6 | M6X12 | M6-12 | ||
2,615,061 VND | 1 Pack(s) | 200 Pieces Per Package 200 Pieces Per Package | 4 Day(s) or more | - | 6 | RoHS compliant (10 substances) | Corrosion resistance / chemical resistance / Conductive / Antistatic / Non-Magnetic / Heat-Resistance | 15 | [Stainless Steel] SUS304 | SUS304 Equiv. | Standard / High Strength / Fall-off Prevention | 8 | M6 | M6X15 | M6-15 | ||
2,557,322 VND | 1 Pack(s) | 200 Pieces Per Package 200 Pieces Per Package | 4 Day(s) or more | 10 | 6 | - | - | 20 | [Stainless Steel] SUS304 Equivalent | - | High Strength / Fall-off Prevention | 8 | - | - | - | ||
2,557,322 VND | 1 Pack(s) | 200 Pieces Per Package 200 Pieces Per Package | 4 Day(s) or more | 10 | 6 | - | - | 25 | [Stainless Steel] SUS304 Equivalent | - | High Strength / Fall-off Prevention | 8 | - | - | - | ||
2,557,322 VND | 1 Pack(s) | 200 Pieces Per Package 200 Pieces Per Package | 4 Day(s) or more | 10 | 6 | - | - | 30 | [Stainless Steel] SUS304 Equivalent | - | High Strength / Fall-off Prevention | 8 | - | - | - | ||
3,791,469 VND | 1 Pack(s) | 200 Pieces Per Package 200 Pieces Per Package | 4 Day(s) or more | - | 8 | RoHS compliant (10 substances) | Corrosion resistance / chemical resistance / Conductive / Antistatic / Non-Magnetic / Heat-Resistance | 8 | [Stainless Steel] SUS304 | SUS304 Equiv. | Standard / High Strength / Fall-off Prevention | 5 | M8 | M8X8 | M8-8 | ||
3,350,058 VND | 1 Pack(s) | 200 Pieces Per Package 200 Pieces Per Package | 4 Day(s) or more | - | 8 | RoHS compliant (10 substances) | Corrosion resistance / chemical resistance / Conductive / Antistatic / Non-Magnetic / Heat-Resistance | 10 | [Stainless Steel] SUS304 | SUS304 Equiv. | Standard / High Strength / Fall-off Prevention | 5 | M8 | M8X10 | M8-10 | ||
3,791,469 VND | 1 Pack(s) | 200 Pieces Per Package 200 Pieces Per Package | 4 Day(s) or more | - | 8 | RoHS compliant (10 substances) | Corrosion resistance / chemical resistance / Conductive / Antistatic / Non-Magnetic / Heat-Resistance | 12 | [Stainless Steel] SUS304 | SUS304 Equiv. | Standard / High Strength / Fall-off Prevention | 5 | M8 | M8X12 | M8-12 | ||
3,577,593 VND | 1 Pack(s) | 200 Pieces Per Package 200 Pieces Per Package | 4 Day(s) or more | - | 8 | RoHS compliant (10 substances) | Corrosion resistance / chemical resistance / Conductive / Antistatic / Non-Magnetic / Heat-Resistance | 15 | [Stainless Steel] SUS304 | SUS304 Equiv. | Standard / High Strength / Fall-off Prevention | 5 | M8 | M8X15 | M8-15 | ||
3,791,469 VND | 1 Pack(s) | 200 Pieces Per Package 200 Pieces Per Package | 4 Day(s) or more | - | 8 | RoHS compliant (10 substances) | Corrosion resistance / chemical resistance / Conductive / Antistatic / Non-Magnetic / Heat-Resistance | 20 | [Stainless Steel] SUS304 | SUS304 Equiv. | Standard / High Strength / Fall-off Prevention | 5 | M8 | M8X20 | M8-20 |
Loading...Tải…

[!] Can be ordered as a single item. (See below)
* The strength class signifies the screw's tensile strength.
(Example) A2 - 70
This indicates that the minimum value of tensile strength is 700 N/mm2.
The steel class is A2 (Austenitic Stainless Steel)

| Detailed Shape | Standard | Drive Type | Hex Socket | Basic Shape | Standard (Round) |
|---|---|---|---|---|---|
| Tip Shape | Flat End | Surface Treatment | Not Provided | Thread Type | Metric, Coarse |
| Sales Unit | Box, Pkg. | Strength Class (Stainless Steel) | A2-70 |
How can we improve?
How can we improve?
While we are not able to respond directly to comments submitted in this form, the information will be reviewed for future improvement.
Customer Privacy Policy
Thank you for your cooperation.
While we are not able to respond directly to comments submitted in this form, the information will be reviewed for future improvement.
Please use the inquiry form.
Customer Privacy Policy